emilspec
An Integrated Publishing, Inc. Site
eMilSpec
An Integrated Publishing Website
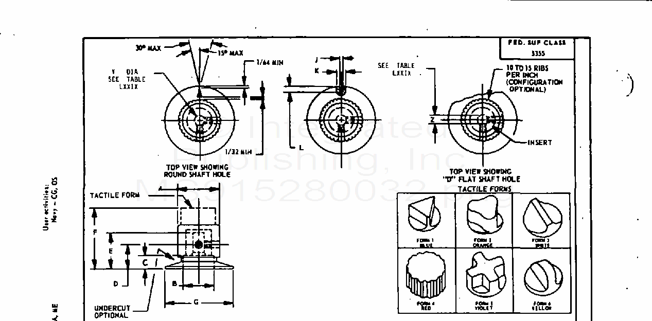
MS91528 Knobs-Control, Plastic (Round, Concentric, Pointer, Spinner, Spinner Slip-Clutch, Bar, Tactile, Knob Lock Pointer, Slip-Clutch, And Knob Locks) (S/S By Nasm91528)
For Parts Inquires call
Parts Hangar, Inc
(727) 493-0744
© Copyright 2015 Integrated Publishing, Inc.
A Service Disabled Veteran Owned Small Business